

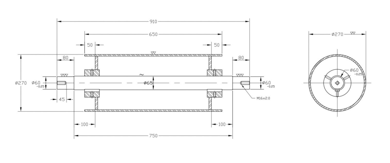
ด้วยเครื่องจักรการผลิตที่หลากหลาย เราจึงสามารถผลิต ลูกกลิ้งในรูปแบบต่างๆ ตามความต้องการของลูกค้าได้เป็นอย่างดี
ถ้าพูดถึง ลูกกลิ้งเหล็กของ “ธนาจิรัญญ์” จุดเด่นหลัก ๆ คือความแข็งแรงและทนทานครับ เหมาะกับงานลำเลียงที่ต้องการอายุการใช้งานยาวนาน โดยมีข้อดีดังนี้:
ข้อดีลูกกลิ้งเหล็ก (Steel Roller) ของธนาจิรัญญ์
1. โครงสร้างแข็งแรง
ผลิตจากเหล็กคุณภาพสูง รองรับน้ำหนักได้มาก เหมาะกับงานลำเลียงสินค้าหนัก เช่น เหล็ก, ถ่านหิน, ปูนซีเมนต์, แร่
2. อายุการใช้งานยาวนาน
เหล็กทนต่อการสึกหรอ ไม่แตกง่ายเหมือนพลาสติกหรือวัสดุอื่น
3. ทนต่อแรงกระแทก
รับแรงได้มาก เหมาะกับงานที่มีการโหลดวัสดุแบบกระแทกลงบนสายพาน
4. บำรุงรักษาง่าย
ดูแลรักษาไม่ซับซ้อน สามารถซ่อมเปลี่ยนลูกปืนหรือตัวลูกกลิ้งได้สะดวก
5. ใช้ได้ในหลายสภาพแวดล้อม
ทั้งงานในร่ม กลางแจ้ง หรือในอุตสาหกรรมที่มีฝุ่นเยอะ เช่น เหมือง, โรงปูน, โรงไฟฟ้า
6. คุ้มค่าระยะยาว
แม้ต้นทุนเริ่มต้นอาจสูงกว่าแบบพลาสติกหรือ PVC แต่ความทนทานทำให้ลดค่าใช้จ่ายซ่อมบำรุงในระยะยาว

ผลิตสินค้าลูกกลิ้งสายพายลำเลียงอย่างมีคุณภาพและมีประสิทธิภาพ พัฒนาอย่างต่อเนื่อง ยั่งยืน พร้อมพัฒนาสิ่งใหม่ๆ ให้กับลูกค้าภายใต้ระบบคุณภาพ 5 ส.

ทำการค้าแบบตรงไปตรงมา รับผิดชอบต่อสินค้าที่ผลิต การันตีคุณภาพ ให้การบริการและข้อแนะนำในสิ่งที่ถูกต้องเสมอแก่ลูกค้า

มุ่งมั่นพัฒนาสินค้าให้มีคุณภาพที่ดีที่สุด เพื่อให้ลูกค้าได้สินค้าที่พึงพอใจมากที่สุด พัฒนาบุคลากรและองค์กร เพื่อการผลิตให้ได้มาตรฐานอย่างต่อเนื่อง รวดเร็ว แม่นยำ ทันต่อความต้องการของลูกค้า ภายใต้เครื่องหมายการค้า TNR หรือตราหัวม้า
ด้วยประสบการณ์เป็นเวลากว่า 50 ปี ในการผลิต ลูกกลิ้งสายพานลำเลียง ชนิด และรูปแบบต่างๆ จึงเข้าใจในความต้องการของลูกค้าทุกอุตสาหกรรม ที่ต้องใช้ลูกกลิ้ง เราจึงได้มีการพัฒนารูปแบบเพื่อให้เหมาะสมกับทุกสภาวะการการใช้งาน ในราคาที่เหมาะสม แต่คุณภาพเป็นเลิศ ขอขอบพระคุณลูกค้า ผู้มีอุปการะคุณทุกท่าน ที่ให้ความมั่นต่อผลิตภัณฑ์ของเราอย่างดีเสมอมา